Product overview
The GDS-SW/CO dust meter and switch dust monitoring system is based on the principle of electrification by friction. The dust particles rub against each other or against different materials such as tube wall, and then the separation occurs for carrying electricity in a natural way. When the electrically charged dust particles fly by the side of the probing rod or touch the probe rod, the measurement will be transferred by the charge to these dust particles for measurement probing rod. The static dust particles (such as sediment) have no effect on measurement, thus there is no problem in retrofitting on the existing clean air side pipe.

GDS- CO
Product features
● Clear monitoring of dust removal effect of each cloth bag;
● Optimization of dust-collecting fan control system;
● Improving the dust removal effect;
● Lowering the baghouse maintenance cost;
● Reducing the labor intensity;
● Protection of dirt catcher downstream equipment;
● Improvement of factory production and surrounding environment;
● Realization of automated management by the enterprise;
● Measurement of solid particles in the medium airflow;
Dust diameter≥0.1μm;
● Measuring range: 0.1mg/m3~1kg/m3;
● Process condition temperature: 90℃ (customizable 290℃);
● Pressure: 6bar (customizable 25bar);
● Velocity of flue gas ≥1m/s, humidity: 95%RH;
● AC electrostatic induction output signal relay output: 1.5A, 48V AC/DC (GDS-SW);
● Transistor output: 25mA, 31V DC (G02 type) isolation 4~20mA output (GDS-CO type).

Environmental conditions
● Temperature: -20℃~85℃ (specially customized high temperature type: 290℃);
● Pressure: 6bar Vibration: 6m/s or smaller;
● Humidity: 95%RH;
● Probe material (AISI 316Ti) stainless steel:
● Main body (1.4305) stainless steel;
● Probe insulation PA sealing material NBR (nitrile rubber buna)
● Protection grade: IP67;
● Explosive-proof grade (optional) II 3G Ex nAII T4II 3D Ex tD A22 IP67 T100℃;
● Mounting thread specification 1;
● Power supply: 17~31V DC;
● Power consumption: 1.5W/24V DC;
● Electrical interface stud type connection terminal;
● Cable sealing sleeve M16x1.5;
● Cable diameter: 3.5~8mm;
● Weight: 2,170g.
Operating principle
The GDS-SW/CO dust meter and switch are subject to the new AC electrostatic induction measurement principle. When the charged particle (dust) contacts or passes near the measuring rod of the sensor, the induced electromotive force will be produced on the measuring rod and the electromotive force will be proportional to the dust concentration. The electromotive force is amplified by measurement, and then the DC part interference signal is filtered out, and only the AC part in the signal is used to calculate dust content with 4-20mA signal or alarm switch signal output accordingly. The measurement is free from measurement of vibration, moisture and probe adhesive substance.

GDS- SW型
Product installation
● The GDS-SW/CO dust meter and switch are of simple and quick installation. The dust meter is inserted into the welded thread bushing, and then screwed down;
● The depth of the sensor probing rod going deep into the tube should be at least 1/3 of pipe diameter, but the sensor probing rod cannot touch the inner wall of the tube on another side;
● The concentration of the dust arising in the operation process will be continuously recorded;
● The simple switch and rotary knob device are used to adjust the measurement scope and alarm point setting according to the site conditions to realize the medium visualization and process automation.
● Upon plenty of experimental comparisons and data analyses, the conclusion proves that the principle of AC electrostatic induction is a sensitive, accurate, stable and effective dust on-line monitoring technology.
Technical indicators
● Output (relay 1 and relay 2)
● Relay output: Normally closed type;
● Switching voltage: 60VAC/DC;
● Switching current: 100mA;
● Switch capacity: 6W;
● Measuring rod: Stainless steel 1.4571;
● Protection grade: IP65 (EN60529);
● Separator material: PPS
● Ambient temperature: -10°C~+70℃;
● Storage temperature: -20°C~+60℃;
● Process temperature: -20°C~+90℃;
● Process pressure: 0~2bar;
● Voltage: 24VDC;
● Storage temperature: -20°C~+60℃;
● Power: <2W Power consumption: 50mA;
●EMC: Conforming to 61326-1 standard.

Concentration categories | Concentration state | Alarm status | LED lamp | Relay 1 | Relay 2 |
1 | Low | Normal state | Green | Turn-off | Turn-off |
11 | Medium | Pre-alarm | Yellow | Turn-on | Turn-off |
111 | High | Main alarm | Red | Turn-off | Turn-on |
Product application
The GDS-SW/CO dust meter and switch are mainly used for efficiency detection optimization control of various dirt catchers in the chemical industry: plastic, synthetic rubber, sodium carbonate, chemical fertilizer, fiber, washing powder and carbon black; tobacco industry: tobacco powder and tobacco; wood industry: saw dust, etc.; pulp and papermaking: braize and sodium carbonate; tire industry: rubber and carbon black; destructor: fly ash; mining: mineral powder; dust emission detection of fixed pollution sources (such as lithium battery new energy and thermal power generation); measurement of dust concentration in the flue and chimney.
GDS-SW/CO dust meter and switch aluminium industry application

GDS-SW/CO dust meter and switch iron and steel metallurgy industry application

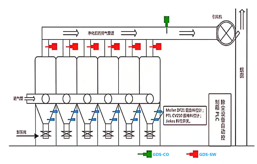
GDS-SW/CO dust meter and switch cloth bag dust removal process application

GDS-SW/CO dust meter and switch cement industry application


